В наличии

Контроль ОТК

Плиты дорожные железобетонные 1П 30.18-10

В наличии

Контроль ОТК

Плиты дорожные железобетонные 1П 30.18-10

Размер(ДхШхВ), мм:
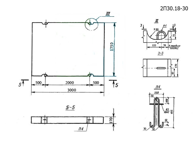
3000x1750x170
Объем, м3:
0.882
Вес, тонн:
2.2
Серия, ГОСТ:
ГОСТ 21924.0-84
Прайс-лист

Описание

Дорожные плиты (ГОСТ 21924.0-84, ГОСТ 21924.3-84) предназначены для устройства сборных покрытий постоянных дорог под автомобильную нагрузку массой 10 тонн.

Маркировка изделия:

Согласно ГОСТ 21924.0-84 «Плиты железобетонные для покрытий городских дорог» название «1П 30-18-10 ГОСТ» расшифровывается следующим образом:

  • Цифра «1» сообщает о возможности использования плиты для эксплуатации в качестве постоянного дорожного полотна;

  • Буква «П» — прямоугольная форма;

  • Цифра «10» — допустимый тоннаж транспорта, на который рассчитана дорожная плита;

  • Цифры «18-30» — габаритные размеры в дециметрах.


Характеристики бетона:

  • Марка прочности бетона - М 400;

  • Класс прочности бетона – В 30;

  • Морозостойкость, F – 100;

  • Водопроницаемость, W - 2. 


Преимущества дорожных плит:

  • Легкость и высокая скорость укладки бетонных плиты. Укладывать плиты можно практически на любой грунт, чего нельзя сказать об асфальтировании. При использовании бетонных плит отпадает необходимость в подготовке основания.
  • Возможность эксплуатации дороги сразу после её возведения;
  • Большая прочность и влагостойкость. Бетон, оснащенный стальной арматурой, на сегодняшний день является самым прочным строительным материалом. Дорожные плиты изготавливаются из расчета интенсивной нагрузки транспортом до 30 тонн. В отличие от асфальта они не подвержены деформации и образованию колейности;
  • Отсутствие необходимости в ремонте. У бетонных дорог срок службы более сорока лет, тогда как асфальтированные дороги изнашиваются в течение десяти лет;
  • Срок эксплуатации 1П 30-18-30 может превышать 40 лет, в то время как асфальтированная дорога изнашивается в течение 10 лет;
  • Транспортные средства, передвигаясь по бетонной дороге, потребляют на 15-20% меньше топлива, чем при движении по асфальтированной дороге. Это происходит в связи с тем, что дорога из бетонных плит не деформируется под колесами транспортных средств. Соответственно использование бетонных плит в строительстве дорог является более экологичным методом;
  • Устойчивы к перепадам температуры. Прочность бетона и арматурная сетка позволяют эксплуатировать плиты 1П 30-18-30 даже в экстремальных условиях Крайнего Севера, где температура длительное время может держаться на отметке ниже -40oC.

Файлы

паспорт качества плита дорожная 1П30.18-30, 1П30.18-10

245.39 Кб

pdf

Скачать

ГОСТ 21924.0-84 - Дорожные плиты

558.85 Кб

pdf

Скачать

чертеж дорожной плиты

48.74 Кб

jpg

Скачать